»
Language
商品情報|水生活製作所
inquiry(JA)
会社案内
ごあいさつ
会社概要
理念・方針
製造工程
保有設備
沿革
商品情報
商品情報・カタログ
+
浄水器
浄水器パーツ
節水シリーズ
給水栓
水栓パーツ
ガーデニング製品
美山銅器ぐい呑み
宝式湯屋カラン
フレッシャー
廃番情報
保証規定
リリース情報
受託生産
採用情報
コラム
Language
TOP
商品情報
給水栓
交換部品/配管
ボトルトラップ(ロングタイプ)
ボトルトラップ(ロングタイプ)
ご購入はこちら
お問い合わせ
品名
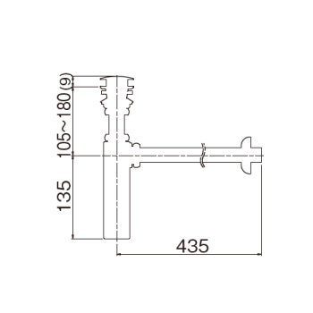
ボトルトラップ(ロングタイプ)
品番
OFNB25-L
入数
-/1
材質
黄銅
特徴
オーバーフローなしの手洗器用
化粧キャップ付き
ロングタイプ
製品仕様
排水栓外径
:54mm
排水管径
:25mm
パンフレット(PDF)
ご購入はこちら
お問い合わせ
関連商品
ボトルトラップ
Pトラップ(ロングタイプ)
Sトラップ(ロングタイプ)
水栓取付脚ロング(仙徳)
Pトラップ
Sトラップ
« 戻る
上にスクロール