»
Language
商品情報|水生活製作所
inquiry(JA)
会社案内
ごあいさつ
会社概要
理念・方針
製造工程
保有設備
沿革
商品情報
商品情報・各種カタログ
-浄水器
飲み水用浄水器
風呂・シャワー用浄水器
その他・カートリッジ
-浄水器パーツ
浄水器専用水栓
切替コック
アダプター
ホース・フレキ吐水口
-節水シリーズ
キッチン・洗面用節水商品
お風呂・シャワー用節水商品
トイレ用節水商品
-給水栓
手洗水栓
手洗鉢
手洗いカウンター
-水栓パーツ
止水栓・分岐栓
減圧弁
浴室パーツ
キッチン洗面パーツ
ガーデニング水栓パーツ
-ガーデニング製品
ガーデン水栓
水栓柱
ガーデンパン
散水パーツ
-美山銅器
-ハウジング
UH型業務用フィルターハウジング
UP型業務用フィルターハウジング
業務用フィルター
ハウジング部品
-湯屋カラン
ワンタッチシャワー
レバー式湯屋カラン
廃番情報
リリース情報
受託生産
採用情報
コラム
Language
TOP
商品情報
ガーデニング製品
散水パーツ
蛇口マフラー
蛇口マフラー
ご購入はこちら
お問い合わせ
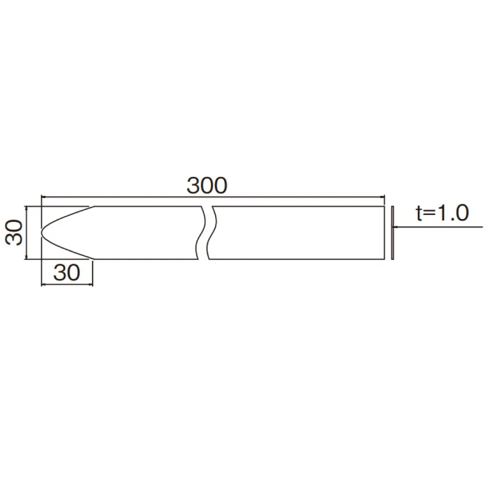
品名
蛇口マフラー
品番
G19SL
製品仕様
本製品を蛇口に巻くことで、蛇口を凍結破損から保護します。
冬場に蛇口が凍っても、破損しにくくなります。
※本商品1つで水栓1個分となります。
材質
シリコーン
ご購入はこちら
お問い合わせ
関連商品
泡沫アダプター(仙徳メッキ)
ワンタッチニップル(内ネジブロンズ)
ワンタッチニップル13
ホースジョイントニップル
ジョイントニップル
滴下ノズル(6本セット)
蛇口の凍結破損を防ぐ
シリコン製マフラー
Tags :
凍結防止
« 戻る
上にスクロール