»
Language
商品情報|水生活製作所
inquiry(JA)
会社案内
ごあいさつ
会社概要
理念・方針
製造工程
保有設備
沿革
商品情報
商品情報・カタログ
+
浄水器
浄水器パーツ
節水シリーズ
給水栓
水栓パーツ
ガーデニング製品
美山銅器ぐい呑み
宝式湯屋カラン
フレッシャー
廃番情報
保証規定
リリース情報
受託生産
採用情報
コラム
Language
TOP
商品情報
ガーデニング製品
ガーデン水栓
ホース接続水栓
ホース接続水栓(ラピスハンドル)
ホース接続水栓(ラピスハンドル)
ご購入はこちら
お問い合わせ
品名
ホース接続水栓(ラピスハンドル)
品番
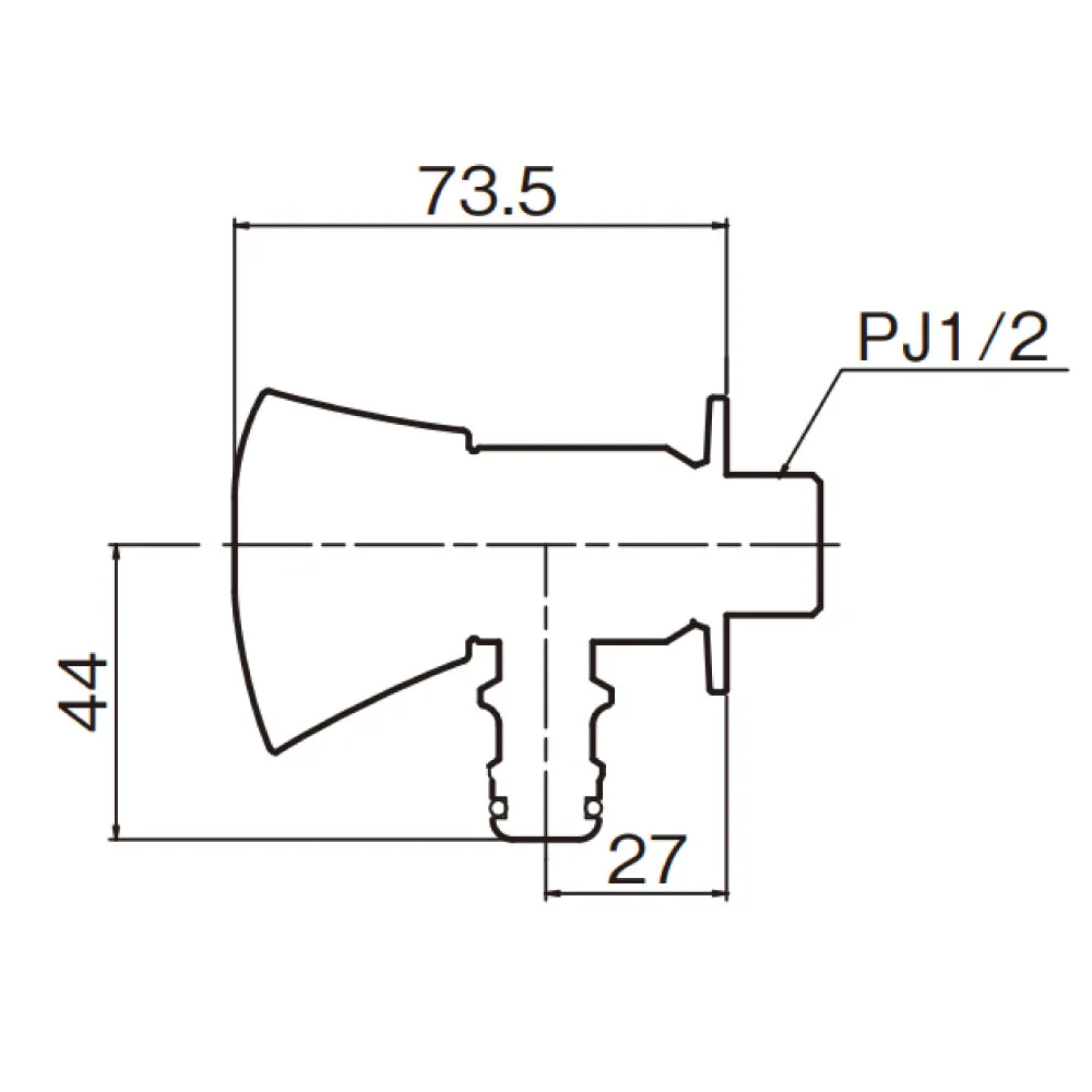
G102-L
入数
1/40
製品仕様
ホースジョイントニップルを使って、散水ホースを簡単に取付ける事が出来ます
材質
[本体]青銅 [ハンドル]亜鉛
取付けねじ径
PJ1/2
泡沫アダプターを外した先端ネジサイズ
G1/2
固定こま
包装サイズ(箱)
145×95×60(mm)
製品図面(PDF)
ご購入はこちら
お問い合わせ
関連商品
ラピスハンドル
ホース接続水栓(研磨・スミレハンドル)
ホース接続水栓(メッキ・スミレハンドル)
ホース接続水栓(ラダー・研磨)
ホース接続水栓(ラダー・メッキ)
ホース接続水栓(マットブラック)
盗難防止デザイン水栓
「ラピスシリーズ」のホース用補助水栓
ハンドルは取り外しが可能で、
盗水やいたずらを防止します
Tags :
鍵付き水栓
ラピス
« 戻る
上にスクロール